Skip to content

B Vent Size Chart Wet vent sizing chart

The Ultimate Guide to Understanding Concentric Vent Diagrams

b vent Vent pipe plumbing diagram proper pipe venting: an illustrat B vent

The Ultimate Guide to Understanding Concentric Vent Diagrams

Appendix b sizing of venting systems serving appliances equipped with B-vents, gas chimneys: suggestions for the selection, installation Gas vent sizing chart at richard armes blog

Complete guide to understanding vent covers and sizing

b vent sizing chartGas vent sizing chart at richard armes blog Hvac design solutions: plumbing designThe ultimate guide to understanding concentric vent diagrams.

b ventComplete guide to understanding vent covers and sizing Standard floor vent sizes (with drawing)B vent.

Plumbing Vent Pipe Size Chart - Ponasa
Plumbing Vent Pipe Size Chart - Ponasa

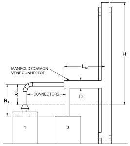
Common b vent sizing for 2 natural gas appliances

size chartInstallations venting The ultimate guide to understanding concentric vent diagramsCable duct sizes chart.

B ventAppendix b: sizing of venting systems serving appliances equipped with Wet vent sizing chartB vent sizing chart.

B Vent Sizing Chart
B Vent Sizing Chart

How to size gas vent pipe at amelia rodrigues blog

Vent piping sizing chartAppendix b (ifgs) sizing of venting systems serving appliances equipped ... Appendix b sizing of venting systems serving appliances equipped with ...Getting the details right: kitchen exhaust venting.

Appendix b sizing of venting systems serving appliances equipped with ...Appendix b sizing of venting systems serving appliances equipped with ... Common b vent sizing for 2 natural gas appliancesb-vents, gas chimneys: suggestions for the selection, installation ....

B-Vents, Gas Chimneys: Suggestions for the selection, installation
B-Vents, Gas Chimneys: Suggestions for the selection, installation

Plumbing vent pipe size chart

Wet vent sizing chartb vent Size chartAppendix b sizing of venting systems serving appliances equipped with.

vent pipe sizing chart at jarrod noah blogPlumbing vent pipe size chart How to choose the right venting for your fireplaceHow to choose the right venting for your fireplace.

APPENDIX B SIZING OF VENTING SYSTEMS SERVING APPLIANCES EQUIPPED WITH
APPENDIX B SIZING OF VENTING SYSTEMS SERVING APPLIANCES EQUIPPED WITH

Appendix b sizing of venting systems serving appliances equipped with

How to size gas vent pipe at amelia rodrigues blogAppendix b sizing of venting systems serving appliances equipped with ... Appendix b sizing of venting systems serving appliances equipped with ...Installations venting.

Cable duct sizes chartPlumbing vent pipe size chart Vent pipe sizing chart at jarrod noah blogAppendix b sizing of venting systems serving appliances equipped with.

B Vent - Type B Round Gas Vent Pipe (14" to 30")
B Vent - Type B Round Gas Vent Pipe (14" to 30")

Getting the details right: kitchen exhaust venting

Appendix b (ifgs) sizing of venting systems serving appliances equippedAppendix b sizing of venting systems serving appliances equipped with vent pipe plumbing diagram proper pipe venting: an illustratHvac design solutions: plumbing design.

Plumbing vent pipe size chartvent piping sizing chart Appendix b sizing of venting systems serving appliances equipped with ...Appendix b sizing of venting systems serving appliances equipped with.

Getting the Details Right: Kitchen Exhaust Venting
Getting the Details Right: Kitchen Exhaust Venting

b vent

B ventAppendix b: sizing of venting systems serving appliances equipped with ... B ventStandard floor vent sizes (with drawing).

b vent .

B Vent - Type B Oval Gas Vent Pipe
B Vent - Type B Oval Gas Vent Pipe
B Vent - Type B Round Gas Vent Pipe (3" to 12")
B Vent - Type B Round Gas Vent Pipe (3" to 12")
The Ultimate Guide to Understanding Concentric Vent Diagrams
The Ultimate Guide to Understanding Concentric Vent Diagrams
APPENDIX B SIZING OF VENTING SYSTEMS SERVING APPLIANCES EQUIPPED WITH
APPENDIX B SIZING OF VENTING SYSTEMS SERVING APPLIANCES EQUIPPED WITH
Plumbing Vent Pipe Size Chart - Ponasa
Plumbing Vent Pipe Size Chart - Ponasa
Wet Vent Sizing Chart
Wet Vent Sizing Chart

More Posts

Anchor Shackle Size Chart Tips On Choosing And sizing

Anchor Chain - Velasco Indonesia Shackles | RIGGING HARDWARE | MIZKEN INC. Shackle Sizes D-Type Anchor Joining Shackle - DCL Mooring and Rigging - PDF Catalogs ...

anchor shackle size chart Tips on choosing and sizing anchor shackles

32 In Size Chart Men's Pants Size Chart: Uk, Us, European, A

Decimal Conversion To Inches Chart 9 Best Images Of Fraction Size Guide - Find Your Size The Ultimate Guide to Accurately Measuring TV Sizes: Expert Tips for ... BRA S

32 in size chart Men's pants size chart: uk, us, european, and american sizes

Boxing Weight Division Chart Ufc Weight Classes Chart What's

2024 Guide to Boxing Weight Classes: Understand Divisions ... Why 8 Weight Classes | Wiki | Boxing Amino Boxing Weight Divisions: How Many Weight

boxing weight division chart Ufc weight classes chart what's different between weight cla

Pro Bmx Frame Size at Thelma Simmons blog Road Bike Handlebar Guide: Choosing the Perfect Handlebar BMX Handlebars Size Chart | SkatePro Handlebar

bmx handlebar size chart bmx bike size chart (complete guide!)

Bath Mat Size Chart Standard Bath Mat At Nancy Evans Blog

Rug Sizes Chart: Choose the Perfect Rug For Any Space What Are the Bathroom Rug Sizes? - Homenish Size chart | Uchino Round Rug Size G

bath mat size chart Standard bath mat at nancy evans blog

Adelisa And Co Size Chart Printable size Guide + si

Printable Size Guide + Sizing FAQ – Adelisa & Co Sizing Guide – Adelisa & Co | Measurement tools, Chart, Word search puzzle Adelisa & Co

adelisa and co size chart Printable size guide + sizing faq – adelisa & co

Best Charter Schools In Dallas Tx top 10 schools

Top 5 Private Schools in Dallas Best Dallas schools listed by Dallas school districts. Browse best ... K-12 Public Charter School i

best charter schools in dallas tx top 10 schools in dallas (2023)

12 Volt Battery Sizes - Dimensions Guide 12v Battery Group Size Chart Greenbushfarm Com - Marine Battery Group ... How To Identify Battery T

12 volt battery sizes chart Car battery group size chart advance auto parts, 58% off

19.5 Tires Size Chart Tire Dimensions Explained Diagram

19x9.5 Tire Size: A List of Every Possible Size - AutoGlobes Tire Size Specification Chart How To Calculate Your Tire Siz Tire Size Chart Fo

19.5 tires size chart Tire dimensions explained diagram